产品中心
Product Center
量程0.1-15m/s,无可动及阻流部件,仅需标定水介质,方便、可靠、性价比高
Twin-Tiger EMF系列智能型电磁流量计是基于法拉第电磁感应定律,无可动及阻流部件,不存在压力损失和流体堵塞现象。仅需标定水介质,即可用于其他导电介质流体的测量。
电极和衬里材质均有多种材质可选,满足不同工况需求。经过可靠性、重复性、精确性等多重检测广泛应用于清水、污水、化工和工业制药及各种酸碱溶液、泥浆、矿浆、纸浆流量的测量与监测。
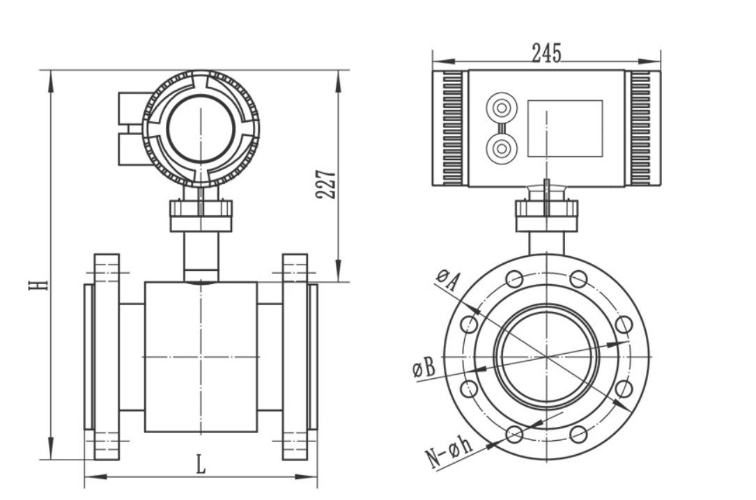
此外,EFM系列具有一体式和分体式两种结构。分体式结构可用于环境较差的现场,如地下井、高温等不便到达的场合。
应用及案例
自来水厂
工业废水
食品制药
环保电镀
印染化工
酸碱溶液
冷、热量计量功能
双频励磁,零点稳定性好
防护性好,全封闭传感器
内置参比电极,无需接地环
支持Modbus或HART通讯协议
可测正反向流量
量程 0.1-15m/s
介质 导电液体(电导率≥5uS/cm)
精度 ±0.5%RD
环境温度 -20℃-60℃
介质温度 -20-80℃,根据要求最大可达180℃(注:受由衬里材料温度特点限制)
环境湿度 <85%RH (非冷凝 )
公称压力 4.0MPa(DN10-150)
1.6MPa(DN200-600)
1.0MPa(DN700-1200)
0.6MPa(DN1400-2000)
供电电源 86~220VAC或24VDC(可选)
输出信号 4-20mA/脉冲信号
通讯 RS485,标准Modbus通讯协议(非标配)、支持HART通讯协议(可选)
显示 多达8位液晶显示,实时时钟显示各种流量数据,可选m3或L显示单位
量程比 1:100
电极材料 不锈钢316L,其余可按要求定制(例如:HB、HC、Ti、Ta、Pt)
衬里材料 PFA,FEP、PTFE或聚氨酯可选
外壳材料 碳钢,可按客户要求定制(例如:不锈钢304SS)
防护等级 一体式时为IP65,分体式时为IP67或IP68(可选)
安装方式 法兰安装(默认)、螺纹安装(定制)、卡箍安装(定制)

公称通径DN (mm) | 流速(m/s) | |||||||||
0.1 | 0.3 | 0.5 | 1 | 2 | 3 | 4 | 5 | 10 | 15 | |
流量(m3/h) | ||||||||||
10 | 0.0283 | 0.0848 | 0.1414 | 0.2827 | 0.5655 | 0.8482 | 1.131 | 1.4137 | 2.8274 | 4.241 |
15 | 0.0636 | 0.1909 | 0.3181 | 0.6362 | 1.2724 | 1.9085 | 2.5447 | 3.1809 | 6.3617 | 9.543 |
20 | 0.1131 | 0.3393 | 0.5655 | 1.1310 | 2.262 | 3.3929 | 4.5239 | 5.6549 | 11.31 | 16.965 |
25 | 0.1767 | 0.5301 | 0.8836 | 2.7672 | 3.5343 | 5.3014 | 7.0686 | 8.8357 | 17.672 | 26.507 |
32 | 0.2895 | 0.8686 | 0.4477 | 2.8953 | 5.7906 | 8.6859 | 11.581 | 14.477 | 28.953 | 43.43 |
40 | 0.4524 | 1.3572 | 2.262 | 4.5239 | 9.0478 | 13.5717 | 18.096 | 22.62 | 45.239 | 67.858 |
50 | 0.7069 | 2.1206 | 3.5343 | 7.0686 | 14.1372 | 21.2058 | 28.274 | 35.343 | 70.686 | 106.03 |
65 | 1.1946 | 3.5838 | 5.973 | 11.9459 | 23.8918 | 35.8377 | 47.783 | 59.73 | 119.459 | 179.19 |
80 | 1.8096 | 5.4287 | 9.0478 | 18.0956 | 36.1911 | 54.2867 | 72.382 | 90.478 | 180.956 | 271.43 |
100 | 2.8274 | 8.4823 | 14.1372 | 28.2743 | 56.5487 | 84.823 | 113.097 | 141.37 | 282.743 | 424.12 |
125 | 4.4179 | 13.2536 | 22.0893 | 44.1786 | 88.3573 | 132.536 | 176.715 | 220.89 | 441.786 | 662.68 |
150 | 6.3617 | 19.0852 | 31.8086 | 63.6173 | 127.852 | 190.852 | 254.469 | 318.09 | 636.173 | 954.26 |
200 | 11.31 | 33.9292 | 56.5487 | 113.097 | 226.195 | 339.292 | 452.389 | 565.49 | 1130.97 | 1696.5 |
250 | 17.672 | 53.0144 | 88.3573 | 176.715 | 353.429 | 530.144 | 706.858 | 883.57 | 1767.15 | 2650.7 |

选型示例 EFM-DN100-P1-F-2-E1-S1-D1-3
含 义 基本型号-公称通径-公称压力-安装方式-衬里材料-电极材料-结构形式-
供电电源-输出信号/通讯
序号 | 代码 | 参数 |
1 | 型号 EFM系列 | 其中“EFM”为产品型号系列,代表智能型电磁流量计 |
2 | 公称通径 | -DNX:(通径范围:DN10-DN2000) “X”代表具体通径,例如DN100 |
3 | 公称压力 | -P1:0.6MPa -P2:1.0MPa -P3:1.6MPa -P4:4.0MPa -PZ: 定制 |
4 | 安装方式 | -F: 法兰安装(默认) -T:螺纹安装 -C:卡箍安装(卫生型) |
5 | 衬里材料 | -1: PTFE -2: PFA -3: 氯丁橡胶 -4: 聚氨酯橡胶 -5: 陶瓷
|
6 | 电极材料 | -E1:316L -E2:HB(哈氏合金B) -E3:HC(哈氏合金C) -E4:钛 -E5:铂铱合金 -E6:钽 -E7:不锈钢涂覆碳化钨 |
7 | 结构形式 | -S1: 一体式 -S1: 分体式 |
8 | 供电电源 | -D1: 220VAC/50HZ -D2: 24VDC |
9 | 输出信号/通讯 | -1: 4-20mA/脉冲信号(体积流量) -2: 4-20mA/RS232串口通讯(体积流量) -3: 4-20mA/RS485串口通讯(体积流量) -4: Hart协议/带通信(体积流量) |