产品中心
Product Center
量程从60Pa到5KPa,精度±2%FS.同时提供机械式差压指示和两线制4-20mA电流输出
BESTACE P605系列指针式差压变送器,利用简单、无摩擦的磁体螺旋运动,以橡胶膜片作为敏感元件而进行测量,能利用指针迅速指示出被测气体的压力,无论是正压、负压或差压。此设计具有防震、晃动和过压的功能。而且表内无需充注液体,也就没有气化、冻结、异味的问题出现。在此技术上,又增加了射频式非接触位移测量技术,将膜片的位移量转化为标准的4-20mA电流输出。P605是机械表和变送器的二合一产品,同时提供清晰易读的指针指示和标准两线制4-20mA电流输出功能 , 在断电的情况下也不会影响读数。
产品应用
洁净室
过滤器阻力
风扇、鼓风机压力
风速、炉压等
机械式微差压表,微差压变送器二合一
磁螺旋射频式非接触技术
清晰易读的4"大表盘
4-20mA标准两线制输出
±2%FS精度
差压/正压/负压/正负压皆可
机械表性能指标
介质 空气、不可燃和兼容性气体
量程 0-60Pa到0-5KPa
精度 ±2%FS(60 Pa 和 125 Pa 为 ±4% FS)
外壳材质 压模铸铝或含尼龙的ABS 塑料
稳定性 ±1% FS/年
压力极限 100KPa
温度范围 -7-60℃
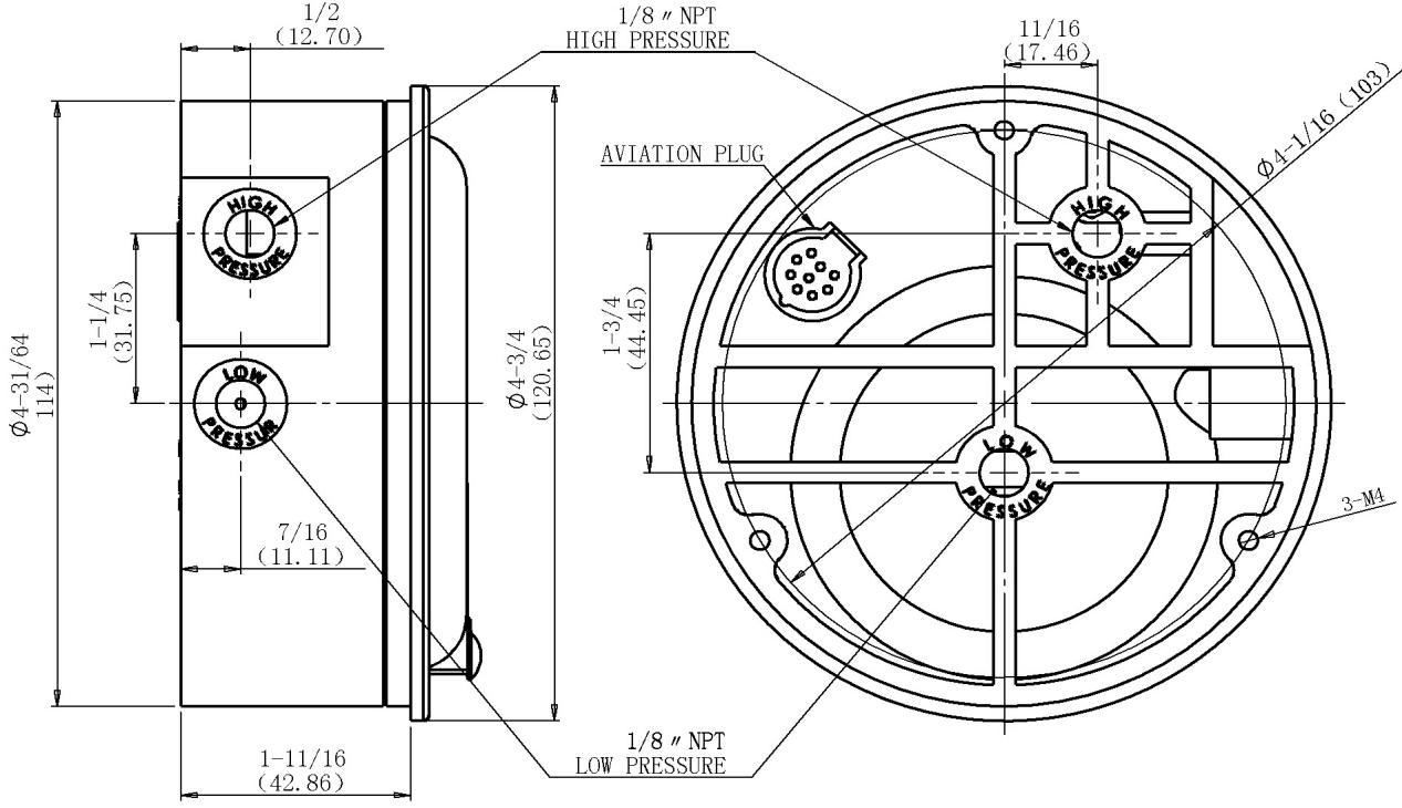
过程连接 高压和低压孔均为 1/8" 锥管螺纹,两组
过压 约172 kPa时橡胶过压塞被冲开
尺 寸 4"大表盘
重 量 460g(压模铸铝),275g(ABS)
标准附件 2个1/8″NPT堵头
2个1/8″螺纹橡胶管接头
3个带螺钉的嵌入式安装螺钉卡
变送器性能指标
精度 ±2%FS(包括非线性、迟滞、重复性)
温度范围 -7-60℃
温度漂移 0.05%FS/℃
供电电源 12-30 VDC
电流输出 4-20mA
零点调整 与机械调零同时进行
回路阻抗 最大0-1250Ω
最大电流 30mA
电气连接 塑料航空插头
选型示例 P605-11
含义:P605-量程代码
量程代码表
英寸水柱(单向) | Pascal(单向) | ||
量程代码 | 说明 | 量程代码 | 说明 |
11 | 0.05-0-0.20 in.W.C | 21 | 0-60Pa |
12 | 0-0.25 in.W.C | 22 | 0-100Pa |
13 | 0-0.50 in.W.C | 23 | 0-125Pa |
14 | 0-1.0 in.W.C | 24 | 0-250Pa |
15 | 0-2.0 in.W.C | 25 | 0-300Pa |
16 | 0-3.0 in.W.C | 26 | 0-500Pa |
17 | 0-4.0 in.W.C | 27 | 0-750Pa |
18 | 0-5.0 in.W.C | 28 | 0-1KPa |
19 | 0-6.0 in.W.C | 29 | 0-3KPa |
1A | 0-8.0 in.W.C | 2A | 0-4KPa |
1B | 0-10 in.W.C | 2B | 0-5KPa |
1C | 0-15 in.W.C | Pascal(双向) | |
2C | 60-0-60Pa | ||
2D | 125-0-125Pa | ||
2E | 250-0-250Pa | ||

