产品中心
Product Center
温度-40-80℃(±0.5℃),湿度0-100%RH(±2%RH),全密封隔爆型壳体,多种安装方式
BESTACE HTe系列隔爆型温湿度变送器的传感器,采用进口产品,其采用热敏电阻和湿敏电容原理,探测范围宽,探头可对宽量程范围内的温湿度进行精确测量,温度量程可达-40-80℃,湿度0-100%RH。电路使用温度补偿,产品工作稳定可靠。
本产品有壁挂式、管道式两种安装方式,电流、电压、RS232、RS485四种输出模式可选,全密封隔爆壳体设计,IP66高等级防护外壳,316不锈钢探头防护,传感器稳定可靠,使用寿命长,广泛应用于药厂、电厂、粉尘厂房、楼宇自控等易爆环境的温湿度测量。
产品应用
武器弹药库
药厂
电厂
粉尘厂房
库房
档案室
综合管廊
产品特色
采用全密封隔爆壳体设计、达到 IP66 防护等级
探头结构带螺纹,便于管道或容器内安装
高清液晶显示温湿度值,智能按键,可现场调节
专业316 过滤器,提高了产品的使用寿命
不锈钢防爆电气接口,防腐蚀,高密封性
自带检测单元现场自校准,长期稳定性能好
符合工业抗干扰 EMC 三级
防爆等级 Ex d IIC T6 Gb 和 Ex d IIC T4 Gb
可选RS485(Modbus-RTU)输出
性能指标
量程 温度: -40℃≤Ta≤60℃(Ex d IIC T6 Gb);-40℃≤Ta≤80℃(Ex d IIC T4 Gb);湿度: 0%RH~100%RH
精度 A 级:温度±0.5℃(25℃);湿度±2%RH (5%RH~95%RH,25℃)
B 级:温度±0.5℃(25℃);湿度±3%RH (5%RH~95%RH,25℃)
供电 电流输出型 DC 24V(22V~26V);电压输出型 DC 24V(22V~26V);网络输出型 DC 24V(22V~26V)
功 耗 电流输出≤1.2W;电压输出≤0.48W;网络输出≤0.48W;带显示增加 0.12W
长期稳定性 温度:≤0.1℃/年;湿度:≤1%RH/年
响应时间 湿度:≤4s(1m/s风速);温度:≤15s(1m/s风速)
输出信号 电流型:4~20 mA;电压型:0~5V/0~10V;网络型:RS485/RS232
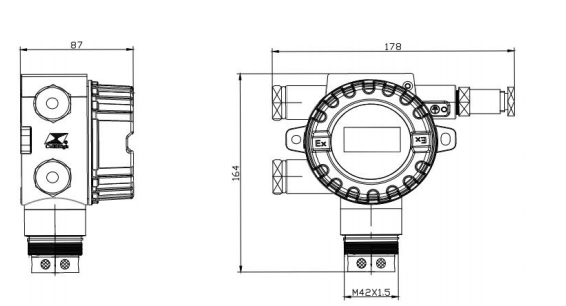
管道螺纹 M42×1.5
负载能力 电流型 输出阻抗≤500Ω;电压型 输出阻抗≤250Ω
防护等级 IP66(不含探头)
防爆等级 Exd IIC T6 Gb/Exd IIC T4 Gb
安装方式 壁挂墙面安装/管道螺纹安装
外壳 铸铝外壳
产品重量 约 1520g
选项配件
安装手册
机构认证
尺寸详图

产品大图

型号列表
视频演示
Apps
相似推荐
订货选型
选型示例 HTe-L-1-W-1-A-G
含义:HTe-量程代码-输出信号代码-安装方式代码-显示方式代码-精度等级代码-响应类型代码
量程 输出信号 安装方式 显示方式 精度等级 响应类型
L:-40℃-60℃,0%RH~100%RH 1:4-20mA W:金属壁挂式 0:无显示 A:A级 G:高稳定型
H:-40℃-80℃,0%RH~100%RH 2:0-5V D:金属管道式 1:有显示 B:B级 K:快速稳定型
3:0-10V
4:RS232
5:RS485