产品中心
Product Center
快速响应的真空控制。
在流动气体专用真空控制器中,53系列真空控制器可快速达到真空设定值并保持该设定值,即使遇到不稳定的供给压力或者不断变化的温度,亦如此。我们将利用您提供的参数为您定制阀门和 PID 调节功能,确保您的真空控制器能实现快速、稳定的控制。
●人造钻石MPCVD设备
●半导体各种CVD镀膜设备
● 快速、准确的阀门和PID控制算法确保在数毫秒内极其快速地达到真空设定值,且具有NIST可溯源精度。
● 默认背压控制选项。53系列真空控制器下游阀门的选项,可使您的真空产品成为背压控制器。该选项与绝压压力传感器配合时尤其能取得事半功倍的效果,后端真空泵如何变化,均可将您的过程系统保持在一定的准确真空度。
● 针对CVD行业特殊设计的结构,VCR 接头与底座一体式加工,结构更加紧凑,泄漏率可达10-9 atm·cc/sec He,更好的满足客户需求。
性 能
满量程 | 300-1000mbarA(该范围内任意标定) |
精度 | ± 0.25%满量程 |
高 精 度 | ± 0.125%满量程 |
重 复 性 | ± 0.08%满量程 |
零点&满量程温度漂移 | 0.02%满量程/℃(从校准温度开始) |
量程可控比(稳态) | 0.5% ~ 100% 满量程 |
控制响应时间 | 优于30 ms(与流量和阀门尺寸有关,用户可调) |
显示响应时间 | <10ms |
阀门功能 | 常闭型 |
工作湿度 | 0-95%,无冷凝 |
泄漏率(外漏) | 10-9 atm·cc/sec He |
预热时间 | < 1 s |
操作条件
兼容气体 | 兼容所有非腐蚀性气体 |
工作温度 | -10 ~ 60 ℃(可选高温选项) |
传感器极限压力 | 3 × 满量程 |
位置敏感性 | 无 |
阀门状态 | 常闭 |
防护等级 | IP40 |
接液材质 | 302,303,304,430FR不锈钢,FKM(默认,可选EPDM或FFKM),陶瓷,玻璃,金,铜,环氧树脂,硅橡胶,聚酰胺,硅,玻璃增强聚苯硫醚 |
通讯/电源
带背光灯按键,单色 LCD或彩色TFT显示器 | 显示压力和设定点 |
数字通信选项 | 默认RS – 232/ Modbus RTU;可选RS – 485/Modbus RTU、DeviceNet、EtherCAT、EtherNet/IP、Modbus TCP/IP、PROFIBUS等 |
模拟信号选项 | 默认0 - 5 VDC;可选4-20mA、1 - 5 VDC、0 - 10 VDC |
模拟信号刷新频率 | 1000Hz |
显示刷新频率 | 10Hz |
数字信号刷新频率 | 40Hz@19200BAUD |
模拟信号精度 | 标准精度额外增加±0.1%满量程误差 |
电气接口 | 默认DB9M;可选 DB15、6针锁定、8针mini-DIN、M12等 |
供电电压 | 12 - 24 VDC |
供电电流 | 250m A(+40mA,对于4-20mA) |
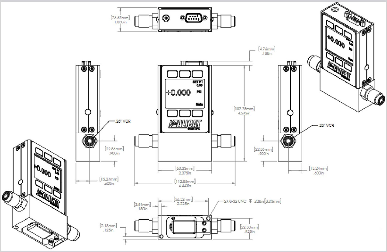
尺 寸(mm)1 | 112.51 H ×112.85 W × 26.67 D |
连 接2 | 1/4" VCRM |
注1、默认阀门为PCV阀门,其他阀门尺寸见具体图纸; | |
