产品中心
Product Center
量程0.5 SCCM - 1000 SLPM,优于1%的精度,测量范围广,优于127 ms响应时间
ALICAT 62W/62AW系列便携式低压损气体质量流量计,采用内部补偿型层流压差技术,使得大流量范围下气体仍旧保持层流运动。内置的绝压和温度传感器充分补偿因压力和温度引起的体积流量与质量流量间的差异,并对用户标准工况进行修正。具有NIST可溯源校准证书.可用于快速精确地测量过程气体的质量流量、体积流量、压力和温度,用于现场多种流量校准和检测场合,超低压损更加适用于要求苛刻的环保检测行业。62AW系列的铝主体材质,重量轻,适用于现场检测。
应用及案例
● 环境监测-大气站运维
● 大学/研究所
● 泄漏检测
● 燃料电池
● 计量校准
● 过程工艺气体测量
● 续航时间达 18小时
● 超低压损低至480 Pa
● 便携型产品,方便现场直接检测
●更优越的导热性能和便携性
● 多参数显示和输出:温度、压力、流量等
● 可测范围广,0.01~100%满量程
● 可现场标定混合气体(最多5种成分),并存储20种混合气
量程为0.5 SCCM - 1000 SLPM,
其中10 SCCM - 100 SLPM量程段,下述指标升级:
质量流量普通精度 ± 0.75% 读数或± 0.1% 满量程(取最大值)
质量流量高精度 ± 0.6% 读数或± 0.1% 满量程(取最大值)
重复性 ±(0.1% 读数 + 0.02% 满量程)
质量流量零点漂移 ± 0.03% 满量程 / ℃(从清零温度开始)
± 0.01% 满量程 / Atm(从清零压力开始)
质量流量量程漂移 ± 0.01% 读数 / ℃(从25℃开始)
± 0.1 % 读数 / Atm(从校准压力开始)
介质要求 非腐蚀性、洁净、干燥的气体
介质种类 内置了98种气体,用户可现场编辑混合气体 (最多5种成分),并最多存储20种混合气
量 程 从0 - 0.5 SCCM 到 0 - 1000 SLPM
测量范围(量程比) 0.01~100%满量程
显 示 屏 标准为LCD单色显示屏(带背光),可选TFT彩色显示屏
显示方式 同时显示质量流量、体积流量、压力、温度
精 度 ± (0.8%读数+ 0.2%满量程)精度升级部分见左下角
± (0.4%读数 + 0.2%满量程)(量程5CCM和250-500SLPM可选)
累计流量精度 流量精度之外增加± 0.5 %读数额外误差
重 复 性 ±(0.2%读数+0.02%满量程)
质量流量温度零点和满量程漂移 0.03%满量程/ ℃(从25℃开始)
质量流量压力零点和满量程漂移 ±(0.08 % 读数 + 0.02 % 满量程)/ Atm(从校准压力开始)
响应时间 127 ms(用户可调)
预热时间 < 1 s
工作温度 -10 ~ 60 ℃(环境和气体)
温度精度 ± 0.75℃
充电温度 0 ~ 45 ℃
充电时间:3.5小时(使用5V@2A USB充电器,设备关闭)
工作湿度 0~95%,无冷凝
工作压力 11.5-60PSIA
压力精度 ±0.75%读数(>1 Atm),或±0.1SIA(<1Atm)
满量程压损 参考详细压损表
耐压:76.8PSIA(静压);10PSID(进出口差压)
数字输出信号 RS232(Alicat自有串口协议);可选低功耗蓝牙通讯(需要下载Alicat连接APP,手机兼容安卓或者苹果系统)
数据刷新频率 数字信号40 Hz@19200波特率
屏幕刷新频率 10 Hz
电气接口 Micro-USB-B
续航时间 单色屏 18小时,单色屏(开背光灯)12小时,彩屏 8小时
材 质 62W系列:主体材质302和303SS,密封材质FKM;
62AW系列:主体材质铝,密封材质FKM;
传感器材质请咨询工厂
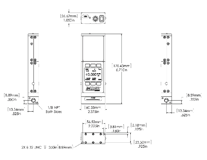
过程接口 NPT内螺纹(默认),详情参考压损表
安装方向 位置不敏感
安装固定孔 8-32UNC螺纹,数量和孔深与量程相关,具体请咨询
防护等级 IP40(可选IP66)
认 证 ISO 9001、NIST溯源认证、CE、UKCA、RoHS、REACH声明
1
1

满量程便携式低压损质量流量计 | 满量程压损(PSID) 排气到大气中 | 外形尺寸 | 过程接口 |
0.5~ 20 SCCM |
0.07 | 5.54''H ×2.38''W ×1.05''D | M5内螺纹(10-32兼容) (随货带Buna-N面密封转1/8''NPT内螺纹接头) |
50 SCCM ~ 2 SLPM | 0.07 | 5.71''H ×2.38''W ×1.05''D | 1/8''NPT内螺纹 |
5 SLPM | 0.07 | 5.81''H ×2.38''W ×1.05''D | |
10 SLPM | 0.08 | 5.85''H ×2.63''W ×1.05''D | 1/4''NPT内螺纹 |
20 SLPM | 0.25 | 6.01''H ×4.00''W ×1.60''D | |
40 SLPM | 0.12 | 6.61''H ×4.00''W ×1.60''D | 1/2''NPT内螺纹 |
50SLPM | 0.14 | 6.61''H ×4.00''W ×1.60''D | 3/4''NPT内螺纹 |
100SLPM | 0.24 | ||
250 SLPM | 0.60 | ||
500 SLPM | 0.39 | 6.93''H ×5.200''W ×2.90''D | 3/4''NPT内螺纹 |
1000 SLPM | 0.24 | 7.91''H ×5.20''W ×3.84''D | 2''NPT内螺纹 |

见“尺寸压损”。
