产品中心
Product Center
量程0.5 SCCM - 10000 SLPM,优于1 %的精度,100 ms 快速响应
美国ALICAT 21S系列抗腐蚀型质量流量控制器,采用内部补偿型层流压差技术,使得大流量范围下气体仍旧保持层流运动。内置的绝压和温度传感器充分补偿因压力和温度引起的体积流量与质量流量间的差异,并对用户标准工况进行修正。具有NIST可溯源校准证书。可用于快速精确地测量并控制腐蚀性气体(如:NH3、H2S、SiH4等)的质量流量、体积流量、压力,并显示气体温度,适用于多种流量测控场合。
应用及案例
● 大学/研究所 ● 汽车制造
● 环境监测 ● 计量校准
● 真空行业及镀膜 ● 过程工艺气体测量
● 工业炉窑
产品特色
● 数字化产品
● 多参数显示和输出:温度、压力、流量等
● 多参数控制,如体积流量、质量流量和压力
● 可选高精度:优于0.5%
l可适用于多种腐蚀性气体
● 可现场标定混合气体(最多5种成分),并存储20种混合气
介质要求 洁净、干燥的腐蚀性和非腐蚀性气体
介质种类 内置了130种气体,用户可现场编辑混合气体 (最多5种成分),并最多存储20种混合气
量 程 从0-0.5 SCCM 到 0-10000 SLPM
量程可控比(稳态):1-100%满量程
显 示 屏 标准为LCD单色显示屏(带背光),可选TFT彩色显示屏
显示方式 同时显示质量流量、体积流量、压力、温度
精 度 ±(0.8 %读数 + 0.2 %满量程)
±(0.4 %读数 + 0.2 %满量程)(量程5 SCCM - 500 SLPM可选)
累计流量精度 流量精度之外增加±0.5%读数额外误差
重 复 性 ± 0.2 %满量程
质量流量零点和满量程温度漂移 0.02%满量程/℃(从25℃开始)
质量流量零点和满量程压力漂移 ±(0.08% 读数+ 0.02% 满量程)(从校准压力开始)
控制响应时间(T63) 30-4000ms(与流量相关,用户可调)
显示响应时间: 10-4000ms(与流量相关,用户可调)
预热时间 < 1 s
工作温度 -10 ~ 60 ℃(环境和气体)(可选高温选项,气体100℃,环境85℃)
温度精度 ± 0.75℃
工作湿度 0 ~ 95 %,无冷凝
工作压力 11.5-160PSIA
压力精度 ±0.5%满量程
耐压 200PSIA(静压);75PSID(进出口差压)
满量程压损 参考详细压损表
数字输入/输出信号 RS232/RS485串口和Modbus RTU(默认);可选Modbus TCP/IP、DeviceNet、EtherCAT、EtherNet/IP、Profibus、Profinet
模拟输入/输出信号 0-5Vdc(默认);可选1-5Vdc,0-10Vdc或4-20mA
数据刷新频率 数字信号40 Hz@19200波特率;
模拟信号:1000 Hz
屏幕刷新频率 10 Hz
模拟信号精度 在基础误差上额外增加±0.1%满量程误差
供电电压 12-30 VDC (与量程相关)
供电电流 250 mA,1 A,2 A(与量程相关,详情咨询)
额外加 40 mA( 4–20 mA输出 )
电气接口 DB9M(默认),可选DB9、DB15、6针工业接口、8针M12、8针Mini-DIN等
泄漏率(外漏) 选择HLC选项,泄漏率可低至1 x 10-9Atm cc/s He
材 质 主体和传感器材质:316L和303SS
PCV阀门材质:430FRSS
R阀门材质:410SS
密封材质:FFKM(默认),可根据特殊气体选用FKM或EPDM
过程接口 NPT内螺纹(默认),详细规格参考压损表;其他接口形式请咨询
安装方向 建议与地面垂直安装
安装固定孔 8-32UNC螺纹,数量和孔深与量程相关,具体请咨询
防护等级 IP40(可选IP66)
认 证 ISO 9001、NIST溯源认证、CE、UKCA、RoHS、REACH声明、防爆 (可选)
待更新。

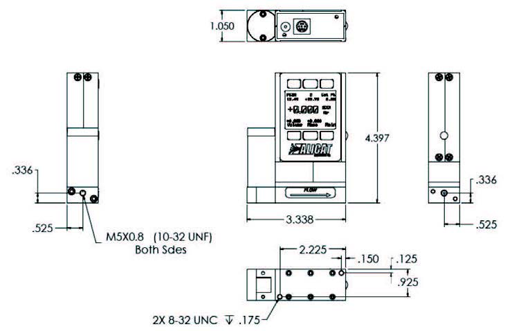
满量程耐腐蚀质量流量控制器 | 满量程压损(psid) 排气到大气中 默认阀门配置 | 外形尺寸 | 过程接口 | 重量 |
0.5sccm | 1.0 | 4.40''H ×3.34''W ×1.05''D | M5内螺纹(10-32兼容) (随货带FFKM面密封转1/8''NPT内螺纹接头) | |
1-5sccm | 2.0 | 1.1lb(约0.5kg) | ||
10sccm | 2.8 | |||
50sccm | 1.0 | |||
100-500 sccm | 1.0 | 4.57''H ×3.59''W ×1.05''D | 1/8''NPT内螺纹 | |
1slpm | 1.5 | 1.2lb(约0.5kg) | ||
2slpm | 3.0 | |||
5slpm | 2.0 | |||
10slpm | 5.5 | |||
20slpm | 20.0 | |||
50-100slpm(配置R阀门) | 2.5 | 5.69''H ×7.65''W ×2.25''D | 1/4''NPT内螺纹 | 9.0lb(约4.1kg) |
250 slpm | 2.4 | 5.99''H ×7.65''W ×2.25''D | 1/2''NPT内螺纹 | 9.0lb(约4.1kg) |
500 slpm | 6.5 | 5.99''H ×7.28''W ×2.25''D | 3/4''NPT内螺纹
| 9.0lb(约4.1kg)
|
1000 slpm | 14.0 | |||
2000 slpm | 28.6 | 5.99''H ×8.10''W ×2.90''D | 3/4''NPT内螺纹 | 12lb(约5.4kg)
|
3000 slpm | 16.8 | 5.99''H ×8.10''W ×2.90''D | 1-1/4''NPT内螺纹 | 12lb(约5.4kg)
|
5000 slpm | 14.1 | 7.08''H ×10.00''W ×4.50''D | 1-1/2''NPT内螺纹 | 28lb(约12.7kg)
|
10000 slpm | 12.0 | 9.66''H ×9.66''W ×6.33''D | 1-1/2''NPT内螺纹 | 23lb(约10.4kg) |

见“尺寸压损”。

* 混合气体编码为“800”,选项中须有具体混合气体比例说明。
* 对于液体流量计和控制器,液体指纯水,液体编码为“900”。
* ALICAT非抗腐蚀流量计/控制器产品,可支持①类气体。
* ALICAT抗腐蚀流量控制器产品,可支持①、②类气体。
* ALICAT抗腐蚀流量计产品,可支持①、②、③类气体。
* 未在表中列出的气体,也可能被测控,具体请咨询我们。